Смотрите также:
- Схема 1. Соединения стеклоочистителя и стеклоомывателя ветрового стекла
- Схема 2. Соединения системы заряда аккумуляторной батареи
- Схема 3. Соединения системы гидропривода тормозной системы
- Схема 4. Соединения системы вентиляции, отопления и кондиционирования воздуха
- Схема 5. Соединения системы пуска двигателя
- Схема 6а. Соединения системы контроля скорости
- Схема 6б. Соединения системы контроля скорости
- Схема 7а. Соединения системы управления двигателем
- Схема 7б. Соединения системы управления двигателем
- Схема 7в. Соединения системы управления двигателем
- Схема 7г. Соединения системы управления двигателем
- Схема 7д. Соединения системы управления двигателем
- Схема 7е. Соединения системы управления двигателем
- Схема 7ж. Соединения системы управления двигателем
- Схема 8а. Соединения системы кондиционирования воздуха
- Схема 8б. Соединения системы кондиционирования воздуха
- Схема 9. Соединения системы усилителя рулевого управления
- Схема 10б. Соединения антиблокировочной системы тормозов (АБС)
- Схема 11. Соединения системы динамической стабилизации автомобиля
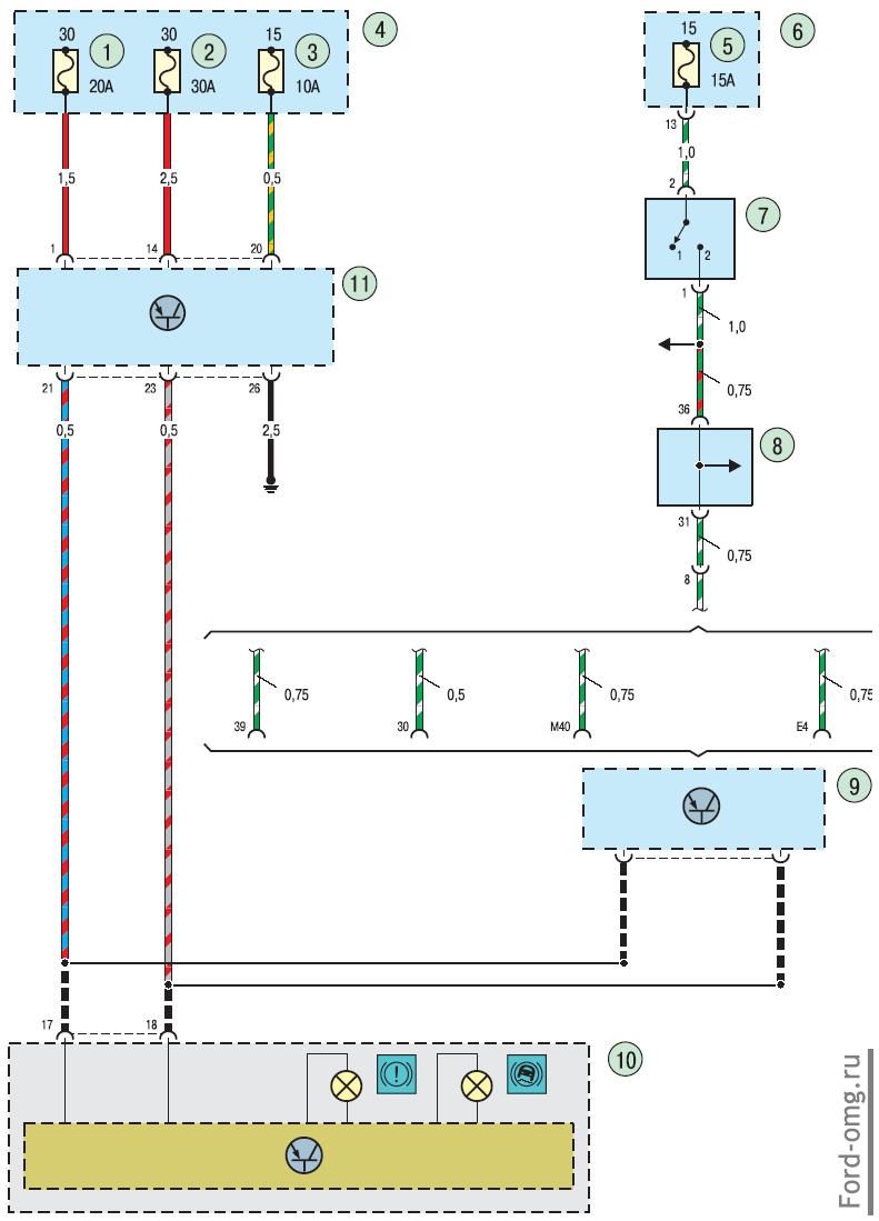
Схема 10а. Соединения антиблокировочной системы тормозов (АБС).
1 – предохранитель 20 А; 2 – предохранитель 30 А; 3 – предохранитель 10 А; 4 – монтажный блок предохранителей; 5 – предохранитель 15 А; 6, 8 – монтажный блок предохранителей и реле;

